Поиск по сайту:

 


По базе:  

микроэлектроника, микросхема, микроконтроллер, память, msp430, MSP430, Atmel, Maxim, LCD, hd44780, t6963, sed1335, SED1335, mega128, avr, mega128  
  Главная страница > Схемы > Источники питания




Зависимое включение двух разных устройств

Зависимое включение двух разных устройств

    Некоторые из электро- и радиоприборов работают совместно. Например, при использовании активной телевизионной антенны было бы удобно, если блок питания антенного усилителя сам включался при включении телевизира и автоматически выключался при его отключении. Это избавляет от необходимости следить за состоянием вспомогательных устройтсв (ведомого) при включении главного (ведущего). Удобно также иметь вечером небольшую фоновую подсветку за телевизором - это меньше утомляет зрение при длительном просмотре телепередач.

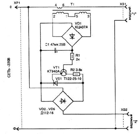
    Данну задачу выполняет привкденная на рис. 1 схема. При появлении тока через нагрузку, подключенную к гнездам XS1, напряжение, снимаемое с автотрансформатора Т1, выпрямляется диодами VD1, VD2 и через резистор R1 подается на управление коммутатором VS1. Оптоэлектронное реле VS1 из серии КР293 (маркировка на корпусе 5П19Т1) позводяет коммутировать любую наргузку с потребляемым током до 1 А (200 Вт), подключенную к гнездам XS2. При этом падение напряжения на ключе VS1 не превышает 2В.

Рис. 1. Электрическая схема приставки

    В данной схеме имеется возможность дистанционного управления включением устройств, если главное (например, телевизор) имеет такую возможность (в дежурном режиме телевизор потребляет маленький ток, что недостаточно для включения электронного коммутатора).

    Трансформатор Т1 является самодельным и выполнен на основе широко распространенного телефонного (используются в старых моделях телефонных аппаратов). Для этого потребуется снять с него одну верхнюю обмотку и на ее месте расположить 120 витков провода ПЭЛ-2 диаметром 0,5 мм. Остальные обмотки подключаются по схеме повышающего напряжение автотрасформатора. Это увеличивает минимальную чувствительность устройства. Для трансформатора может также использоваться ферритовый магнитопровод М2000НМ1 типоразмера Ш5х5 мм. Чувствительность схемы к минимальному току нагрузки зависит также от числа витков в перивчной обмотке (4-6).

    В схеме могут применятться любые диоды на ток не менее 100 мА. Резистор использован МЛТ, полярные электролитические конденсаторы типа К50-35 или аналогичные.

    Печатная плата для схемы не разрабатывалась, а монтаж выполняется объемным монтажом. Вся конструкция размещена в пластмассовом корпусе с размерами 90 х 50 х 30 мм.

    Налаживание устройства удобно проводить при подключенной лампе и вольтметре к гнездам XS2 и сводится к подбору номинала резистора R1 так, чтобы ключ VS1 полностью открывался при реальной нагрузке, подключенной к гнездам XS1. Максимально допустимая мощность нагрузки ведушего устройства, подключенного к гнездам XS1, составляет 200 Вт. Она может быть увеличена, при увеличении диаметра провода в первичной обмотке автотрансформатора (при этом число витков в первичной обмотке можно уменьшить).

    Приведенная схема не потребляет энергию в ждущем режиме. Она проще в изготовлении и содержит меньше деталей по сравнению с устройством аналогичного назначения.

    При необходимости включать более мощную нагрузку ведомого устройства можно использовать промежуточное реле (включаемое к гнездам XS2) с контактами на необходимый ток или же собрать аналогичную схему коммутатора с более мощным тиристором (рис. 2).

Рис. 2. Схема приставки для управления мощной нагрузкой






 
Впервые? | Реклама на сайте | О проекте | Карта портала
тел. редакции: +7 (995) 900 6254. e-mail:info@eust.ru
©1998-2023 Рынок Микроэлектроники