Поиск по сайту:

 


По базе:  

микроэлектроника, микросхема, микроконтроллер, память, msp430, MSP430, Atmel, Maxim, LCD, hd44780, t6963, sed1335, SED1335, mega128, avr, mega128  
  Главная страница > Схемы > Источники питания




Пример применения микросхемы BA6845FS для управления двигателем термопринтера кассового аппарата

Все мы время от времени что-то покупаем, и потому каждый из нас неоднократно держал в руках кассовый чек. По сути это очень короткий договор купли-продажи, распечатанный на кассовом аппарате или на каком-нибудь другом виде контрольно-кассовой техники. В этой статье мы рассмотрим практическое применение микросхемы BA6845FS для управления двигателем принтера кассового аппарата «Меркурий 130К».

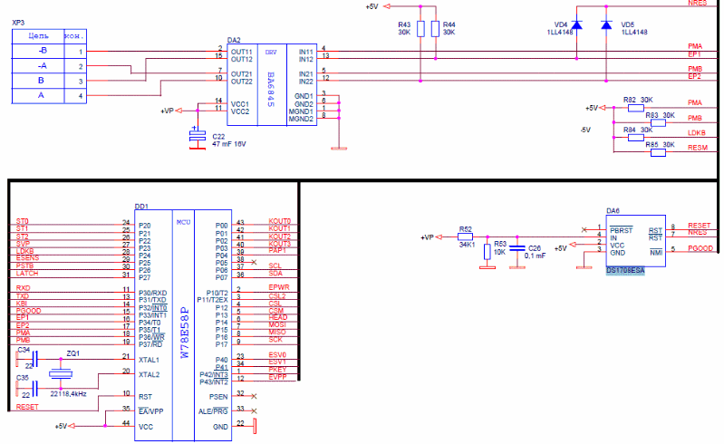
Микросхема BA6845FS — драйвер двигателя. Она управляется центральным процессором W78E58C путем передачи цифровых сигналов TTL-уровня. Эти сигналы по линиям PMA, PMB, EP1, EP2 поступают на логические входы IN. Питание микросхемы 5В. Электролитический конденсатор С22 большой емкости (47 мкФ) сглаживает пульсации электропотребления драйвера. В случае отсутствия сигнала на входах IN поддерживается уровень логической единицы с помощью резисторов R43, R44, R82, R83 номиналом 30 кОм. Контакты 3, 6, 1, 8 «земли» двигателя и драйвера объединены и подключены к корпусу.

Сигналы низкого уровня на входах IN11, IN21 микросхемы запускают двигатель вперед, сигналы высокого уровня — назад. Сигнал низкого уровня на входах IN12, IN22 останавливает двигатель (блокирует входы IN11, IN21), переводя выходы OUT в открытое состояние.

Двигатель кассового аппарата должен вращаться только в одну сторону, обратная подача бумаги ему не нужна. У него всего два режима движения: печать строки и прогон бумаги. Тем не менее бывают случаи, когда двигатель начинает вращаться в обратную сторону. Наиболее часто это происходит из-за загрязнения контактов процессора, которые со временем окисляются. Вследствие этого либо прекращается контакт микросхемы процессора с информационной дорожкой, либо емкость контакта становится настолько большой, что происходят сбои. Еще одна причина вышеуказанной неисправности — выход из строя самой микросхемы BA6845FS.

Микросхема DA6 (DS1708ESA) вырабатывает сигнал сброса процессора RESET. До его окончания выходы процессора могут находиться в любом состоянии, что может привести к произвольному движению двигателя в момент включения кассового аппарата. Поэтому инверсный сигнал сброса с микросхемы DA2 подается на входы IN12, IN22 драйвера. В результате до окончания инициализации процессора выходы драйвера будут в открытом состоянии, а обмотки двигателя будут отключены от питания. В момент инициализации процессора диоды VD4, VD5 предотвращают замыкание питания кассового аппарата на ноль через резисторы R43, R44 и открытый транзистор выходного каскада микросхемы DA2. Пробой одного из диодов приводит к прекращению работы шагового двигателя.

Микросхема BA6845FS контролирует температуру обмоток двигателя. При повышении температуры на выводах 2,7,10,15 до 175 ^(o)C сработает защита и они отключатся. Когда выводы микросхемы остынут до 20 ^(o)C, двигатель снова может начать работать. Такой контроль уберегает обмотки двигателя от выгорания. В некоторых моделях кассовых аппаратов для управления двигателем используется микросхема LB1838. Заметим, что при всей схожести работы эти микросхемы не взаимозаменяемы.

Надеюсь, этот пример применения микросхемы BA6845FS в контрольно-кассовой технике поможет вам успешно обслуживать или даже создавать электронные приборы различного назначения.

Источник: Компания Вестор.

Управление двигателем принтера кассового аппарата Меркурий 130К






 
Впервые? | Реклама на сайте | О проекте | Карта портала
тел. редакции: +7 (995) 900 6254. e-mail:info@eust.ru
©1998-2023 Рынок Микроэлектроники