Поиск по сайту:

 


По базе:  

микроэлектроника, микросхема, микроконтроллер, память, msp430, MSP430, Atmel, Maxim, LCD, hd44780, t6963, sed1335, SED1335, mega128, avr, mega128  
  Главная страница > Схемы




Программа и схема устройства для прошивки AVR ATMEL

Комплект поставки

  1. Исходные тесты программы
    • avr_prog.cpp
    • avr_ut.cpp
    • avr_cmd.cpp
  2. Исполняемый модуль
    • avr_prog.exe
  3. Файл с примером базы данных
    • avr.cfg
  4. Пример командного файла прошивки
    • cmd_file.cmd
  5. Двоичные файлы в качестве примера прошивки
    • example.bin
    • epr.bin
  6. Схема устройства в формате WORD 6.0
    • avr_prog.doc



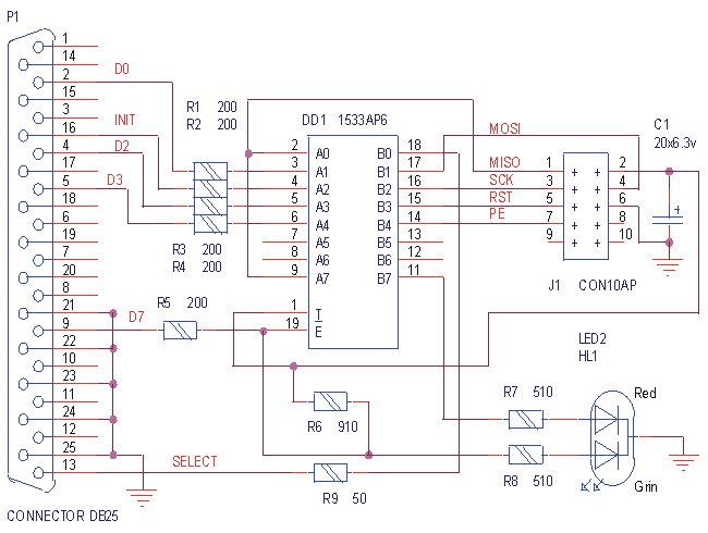
    Первый девайс предназначен для In-System programming AVR микроконтроллеров фирмы Atmel через SPI интерфейс. Подключается к параллельному порту IBM PC совместимого компьютера и работает с программой avr_prog.exe ( слеплена Sdl's firmware). Выходной разъем по первым шести контактам совместим с атмелевским программатором avr910 (смотри www.atmel.com" target="_new">www.atmel.com и рисунок внизу), только добавлена ножка PE (программ энейбл) для программирования меги. Принцип работы прост, данные с компа идут через D0, INIT используется в качестве строба, выход SPI микроконтроллера подается на SELECT. Назначение сопротивлений по 200 Ом на входах апешки и 50 Ом на выходе ограничить ток при прошивке 3-х вольтовых схем, так как апешка питается от вашей схемы, а не от компа. Светодиод горит зеленым когда апешка в 3-ем состоянии (можно подключать шлейфик к вашему устройству ) и красным при программировании.

    Вторая схема тоже самое, но на плате установлена панелька для 8535. Разрабатывалась для себя и здесь приведена в качестве примера. При подключении желательно использовать модемный (не нуль) шнурок 25х25 и не увлекаться длинной шлейфика от девайса.

    Полное программное обеспечение можно скачать здесь.

    За дополнительной информацией и интересующим вопросам обращаться в
фирму "Аргус-2" по e-mail: sdl_mc@chat.ru.



Телефонные аппараты с www.remicon.ru/prod/aon" class="sale">Caller ID. Домашние и офисные телефоны




 
Впервые? | Реклама на сайте | О проекте | Карта портала
тел. редакции: +7 (995) 900 6254. e-mail:info@eust.ru
©1998-2023 Рынок Микроэлектроники