Поиск по сайту:

 


По базе:  

микроэлектроника, микросхема, микроконтроллер, память, msp430, MSP430, Atmel, Maxim, LCD, hd44780, t6963, sed1335, SED1335, mega128, avr, mega128  
  Главная страница > Схемы




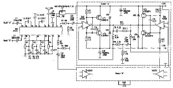
УЗЧ на базе А2030

    Микросхема А2030, на мой взгляд, является наилучшим из существующих на данный момент интегральных усилителей мощности. По таким важнейшим показателям как выходная мощность и коэффициент гармоник он далеко обгоняет другие имеющиеся на рынке интегральные усилители. Предлагаемый стереофонический УЗЧ на базе А2030 обладает низким коэффициентом гармоник и большой выходной мощностью.

    Параметры УЗЧ
Выходная мощность, Вт  
- при Рн=4 Oм 2х180
- при Rн=8 Ом 2х90
Коэффициент гармоник,% не более 1
Напряжение питания, В ± 22

    На микросхеме DA1 собран предварительный усилитель, регуляторы тембра, громкости и баланса. Резисторы R1 и R2 используются для регулировки громкости и баланса соответственно, a R3 и R4 - для регулировки тембра. Далее сигнал ЗЧ идет на микросхемы DA3, DA4 , которые "раскачивают" транзисторы VT1 ...VT4. Их следует установить на теплоотводы. Диоды VD1...VD4 могут быть любые средней мощности. Полученный сигнал ЗЧ большой мощности поступает на нагрузку ВА1 (ВА2). Мощность громкоговорителя должна быть не менее 200 Вт при сопротивлении 4 Ом и не менее 100 Вт при 8 Ом.

    Данный УЗЧ можно использовать на дискотеках, для озвучивания больших площадей или залов.






 
Впервые? | Реклама на сайте | О проекте | Карта портала
тел. редакции: +7 (995) 900 6254. e-mail:info@eust.ru
©1998-2023 Рынок Микроэлектроники