Поиск по сайту:

 


По базе:  

микроэлектроника, микросхема, микроконтроллер, память, msp430, MSP430, Atmel, Maxim, LCD, hd44780, t6963, sed1335, SED1335, mega128, avr, mega128  
  Главная страница > Схемы




Микропередатчики УКВ-ЧМ диапазона

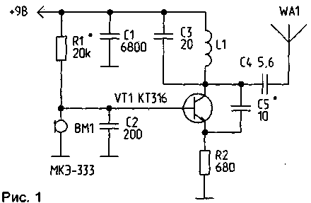
  1.     Микромощные радиопередатчики, выходная мощность которых составляет от долей до единиц милливатт, могут использоваться для организации радиосвязи и передачи данных на расстояние в пределах нескольких метров. Описываемые ниже устройства работают в диапазоне частот 66...74 МГц и при необходимости могут быть перестроены для работы в другом частотном диапазоне. Во всех конструкциях использованы высокоэффективные малогабаритные электретные микрофоны типа МКЭ-332, содержащие встроенный предусилитель на полевом транзисторе. На рис.1 дана схема радиомикрофона, в базовую цепь смещения которого включен в качестве управляемого резистора электретный микрофон.

    Рис. 1

        В качестве антенны использован отрезок гибкого многожильного провода длиной 20...40 см. Потребляемый устройством ток - около 1 мА.

  2.     Устройство, представленное на рис.2, представляет собой телефонный радиоадаптер параллельного типа и предназначено для трансляции звуковых сигналов по высокочастотному каналу. Устройство может питаться непосредственно от телефонной линии 60 В, потребляя при этом ток до 2 мА; при снятии телефонной трубки (снижении напряжения питания) радиомикрофон отключается.

    Рис. 2

        В схеме использовано каскодное включение транзисторов, при котором для сигналов низкой частоты нагрузкой в коллекторной цепи транзистора VT2 является высокочастотный генератор, выполненный на транзисторе VT1. В свою очередь, для токов высокой частоты в эмиттерной цепи транзистора VT1 использован каскад усиления на транзисторе VT2.

        При питании устройства от телефонной линии подключать антенну не обязательно, поскольку сама телефонная линия играет роль достаточно протяженной антенны. Прием высокочастотных сигналов возможен на портативный ЧМ-приемник вдоль телефонной линии; при удалении от линии на несколько метров сигнал быстро затухает. В схеме предусмотрена возможность автономного или резервированного питания от батареи напряжением 9 В. В этом случае устройство становится обычным радиомикрофоном, и к нему необходимо подключить антенну. Устройство имеет защиту от неправильного подключения источника питания и от превышения напряжения - диод VD1 и стабилитрон VD2. Так, при неправильной полярности подключения устройство не будет работать, а если подать напряжение 60 В с телефонной линии на вход питания 9 В, телефонная линия через резистор R1 и стабилитрон VD2, а также за счет своего внутреннего сопротивления ограничивает ток короткого замыкания, и элементы схемы защищены. Устройство имеет габариты 35х10х10 мм. Транзистор VT1 может быть заменен на КТ611БМ, VT2 - на КТ315Г.


  3.     На рис.3 показана схема полифункционального назначения. При включении в гнездо XS1 "ВЫХОД" высокоомного (более 200 Ом) телефонного капсюля или подключении внешнего УНЧ (например магнитофона) устройство представляет собой высокочувствительный усилитель низкой частоты с регулируемым коэффициентом усиления. В таком режиме включения устройство можно использовать в качестве слухового аппарата. При подключении вместо электретного микрофона много-витковой катушки с ферритовым, пермаллоевым или железным сердечником устройство может быть использовано для организации индуктивной связи, индикации телефонных звонков, считывания сигналов звуковой частоты с телефонной трубки или звонковой катушки телефонного аппарата, поиска источников переменных магнитных полей и т.д. Если штеккер телефона вынут из гнезда XS1, устройство автоматически преобразуется в радиомикрофон, высокочастотный генератор которого выполнен на транзисторе VT2 КТ645А. Потенциометр R5 определяет величину девиации частотномодулированного сигнала.

    Рис. 3

    Во всех схемах использованы бескаркасные катушки индуктивности, имеющие внутренний диаметр 4 мм и содержащие 5 витков провода ПЭВ-2 диаметром 0,56 мм. Необходимая рабочая частота устанавливается сдвиганием/раздвиганием витков катушки, варьированием количества и диаметра ее витков, подбором конденсатора колебательного контура. Корпус электретного микрофона во всех случаях соединен с общим проводом.






 
Впервые? | Реклама на сайте | О проекте | Карта портала
тел. редакции: +7 (995) 900 6254. e-mail:info@eust.ru
©1998-2023 Рынок Микроэлектроники