Поиск по сайту:

 


По базе:  

микроэлектроника, микросхема, микроконтроллер, память, msp430, MSP430, Atmel, Maxim, LCD, hd44780, t6963, sed1335, SED1335, mega128, avr, mega128  
  Главная страница > Схемы




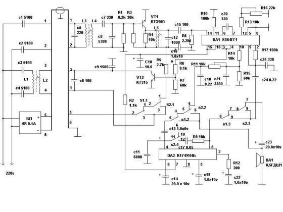
Телефон по 220 В

Обозначения Кол. вит. Индукция мГн Провод Каркас Сердечник
L1 300 2.6 ПЭТВЛ-1-0.1 Ф6x25 600НН Ф2.8х12
L2 75 0.16 ---- Ф0.12 - -
L3 520 3.2 ---- Ф0.1 Ф4х15 500НН Ф2х8
L4 130 0.3 ---- Ф0.1 - -
L5 100 0.16 ---- Ф0.12 Ф6х25 600НН Ф2.8х12





Главная - Микросхемы - DOC - ЖКИ - Источники питания - Электромеханика - Интерфейсы - Программы - Применения - Статьи



 
Впервые? | Реклама на сайте | О проекте | Карта портала
тел. редакции: +7 (995) 900 6254. e-mail:info@eust.ru
©1998-2023 Рынок Микроэлектроники