Поиск по сайту:

 


По базе:  

микроэлектроника, микросхема, микроконтроллер, память, msp430, MSP430, Atmel, Maxim, LCD, hd44780, t6963, sed1335, SED1335, mega128, avr, mega128  
  Главная страница > Схемы




Электронное зажигание для газовой плиты

Электронное зажигание для газовой плиты

    Современные газовые плиты выпускаются промышленностью с уже имеющимся встроенным электронным зажигание газа. Что довольно удобно и более безопасно, чем использование спичек или ручной зажигалки. Но в стране имеется еще большое количество старых плит, не оборудованных такими устройствами. В этом случае может быть полезным применение схемы на рис. 1. Она довольно простая, что позволяет изготовить устройство самостоятельно.

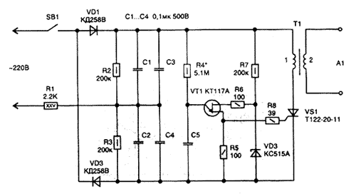
Рис. 1. Электрическая схема преобразователя

    Электрическая схема состоит из умножителя, повышающего в два раза сетевое напряжение на конденсаторах С1...С4. Конденсаторы заряжаются через резистор R1 и соответствующий диод, а при достижении напряжения величины 650 В открывается тиристор VS1 (напряжение открывания тиристора зависит от номиналов элементов - резистора R4 и емкости С5). В этом случае происходит быстрый разряд конденсаторов через открытый тиристор и малое сопротивление первичной обмостки трансформатора Т1. В результате этого на вторичной обмотке трансформатора появляются импульсы высокого напряжения. Выводы трансформатора высоковольтным проводом соединяются с электродами, расположенных вблизи газовых горелок, рис. 2. В качестве электродов, для поджига газа, можно воспользоваться отслужившими свой срок автомобильными свечами. Для этого потребуется снять с ним металлическую рубашку (ножовкой по металлу) и закрепить под крышкой на диэлектрической пластине. При этом, если нажать кнопку SB1, искра будет появляться между двумя горелками одновременно. Если же горелок четыре (что наиболее часто встречается), то вторичных обмоток у трансформатора должно быть две и они могут иметь по 1000...1200 витков.

Рис. 2. Расположение электрода поджига вблизи газовой горелки

    Настройка схемы заключается в подборе номинала резистора R4 (контролируя осциллографом напряжение на конденсаторах) таким, чтобы тиристор открывался периодически и синхронно с сетевыми заряжающими конденсаторы импульсами.

    В схеме применены детали: резисторы R1 - ПЭВ-25, остальные типа МЛТ; конденсаторы С1...С4 типа МБМ, С5 - любого типа. Диоды можно заменить любыми выпрямительными на ток не менее 0,5 А и допустимое обратное напряжение не менее 400 В.

    Конструкция высоковольтного трансформатора выполнена на пластинах из трансформаторного железа, набранныз в пакет. Так как магнитное поле в катушке не замкнутое, конструкция позволяет исключить намагничивание сердечника. Намотка выполняется виток к витку (сначала наматывают вторичную обмотку) 2 - 1800...2000 витков проводом ПЭЛ диаметром 0,08...0,12 мм (в четыре слоя), 1 - 20 витков диаметром 0,35 мм. Межслойную изоляцию лучше выполнять из нескольких витков тонкой (0,1 мм) фторопластовой ленты, но подойдет также и конденсаторная бумага - ее можно достать из высоковольтных неполярных конденсаторов. После намотки обмоток трансформатор заливается эпоксидным клеем. В клей перед заливкой желательно добавить несколько капель конденсаторного масла (пластификатор) и хорошо перемешать. При этом в заливочной массе клея не должно быть пузырьков воздуха. А для удобства заливки потребуется изготовить картонный каркас (размерами 55 х 23 х 20 мм) по габаритам трансформатора, где и выполняется герметизация. Но можно применить и трансформатор промышленного изготовления от электронных устройств зажигания газа.
Все элементы схемы, кроме резистора R1 и трансформатора Т1, расположены на печатной плате, рис. 3.

Рис. 3. Топология печатной платы

    Вся конструкция закрывается диэлектрическим корпусом подходящих размеров, а кнопка SB1 закрепляется на корпусе плиты в удобном месте.




 
Впервые? | Реклама на сайте | О проекте | Карта портала
тел. редакции: +7 (995) 900 6254. e-mail:info@eust.ru
©1998-2023 Рынок Микроэлектроники