Поиск по сайту:

 


По базе:  

микроэлектроника, микросхема, микроконтроллер, память, msp430, MSP430, Atmel, Maxim, LCD, hd44780, t6963, sed1335, SED1335, mega128, avr, mega128  
  Главная страница > Статьи > Разное




"Одна голова хорошо, а три…" - уже свобода выбора!

Русак А.Б.

    Как и в других видах бизнеса, в основе которых лежит выпуск каких либо товаров, в сфере производства электронных компонентов существует небезызвестная тенденция: как только какой-то элемент становится популярен у большого числа потребителей, другие фирмы - производители электронных компонентов приступают к немедленной разработке и массовому выпуску аналогов(клонов). Такая тенденция, во-первых позволяет насытить рынок и снизить цену, что в конечном итоге сказывается на цене конечного изделия, выпускаемого потребителем, вышеупомянутого электронного компонента. Во-вторых, что также существенно, фирмы, производящие клон стараются противопоставить оригиналу изделие с улучшенными параметрами, дабы не быть обвинённым в плагиате. Поэтому старинная поговорка о важности количества голов в данном случае как никогда актуальна.

Речь идёт о мощных переключающих полевых транзисторах (POWER MOSFETS) основная область применения которых - импульсные источники питания (SMPS), импульсные преобразователи напряжения для источников бесперебойного питания, а также электроприводы.

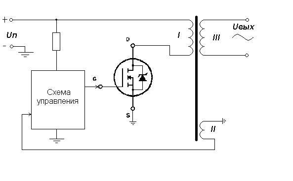
Общая структурная схема применения POWER MOSFEETS такова:

Схема управления генерирует импульсы управления полевым транзистором, регулируя их ширину в зависимости от падения напряжения на обмотке II, тем самым осуществляет стабилизацию колебательного процесса в контуре транзистор-трансформатор и, соответственно, напряжения на выходной обмотке III. Для такой схемы характерны простота конструкции и низкая себестоимость. Например , при применении в качестве схемы управления драйвера SGS Thomson TDA4605A, число электронных компонетов в схеме колеблется в районе 15-20. Качество работы всей схемы во многом зависит от характеристик транзистора, в особенности от такого важного параметра, как сопротивление сток-исток в полностью открытом состоянии (RDS(on)). Естественно - чем меньше это сопротивление, тем меньше тепловые потери, тем больше мощность источника питания. Сопротивление открытого транзистора является таким же важным инструментом в конкуренции на рынке электронных компонентов, как и собственно цена.
    На сегодняшний день хотелось бы выделить три основных производителя вышеуказанного транзистора.
    Исторически первым был SIEMENS c технологией SIPMOS в и сопротивлением перехода в открытом состоянии 2W. За ним последовали SGS -Thomson (ныне именуемый STMicroelectronics) и International Rectifier c технологией HEXFET в , которым удалось достигнуть RDS(on)=1.35W и 1.2W соответственно. Для лучшего понимания сходства и различий между транзисторами производимыми этими тремя компаниями , основные параметры сведены в таблицу:

Фирма SIEMENS STMicroelectronics International Rectifier
Параметры/ ТИП BUZ90A STP5NA60 IRFBC40
VSSD 600V 600V 600V
RDS(on) 2W при токе 3.7 А 1.35W 1.2W
ID 4A 5,3A 6,2A
Корпус ТО220AB TO220AB TO220AB
Имп. Ток. IDM 16A 21A 25A
Мощность PD 75W 110W 125W
Рабочая температура -55 +150°С -65 +150°С -55 +150°С
VGS ±20V ±30V ±25V
Порог управления VGS(th) 2.1-4V 2.25-3.75V 2-4V
Ток утечки 10-100nA 100nA 100nA
gfs 3.8S 2.7-4.7S 4.7S
Cвх 780-1050pF 925-1210pF 1300pF
Cвых 110-170pF 130-175pF 160pF
Время вкл. Td(on) 20-30ns 28-40ns 13ns
Время спада имп.Tf 90ns 18-27ns 20ns

Характеристика защитного диода имплантированного в транзистор:

Прямой ток Is 4A 6,2A 5,3A
Импульсный ток ISM 16A 25A 21A
Vsd 1.1-1.2V 1.5V 1.6V
Время восстановления 350ns 450-940ns 490ns

Какой из трёх элементов применять, конечно должен решать покупатель - потенциальный производитель изделий на базе этого транзистора, но зачастую этот вопрос решает не он , а поставщик электронных компонентов, то-есть дистрибьютор. Поскольку у каждого дистрибьютора существуют разные условия поставки того или иного компонента, то выбор производится в данном случае не по лучшим параметрам, а по условиям поставки т.е лучшей цене и сроку отгрузки. Между дистрибьютерами тоже существует разница по цене и по качеству товара. Так, официальные дистрибьюторы для того чтобы выполнить договорной товорооборот со своим патроном покупают в основном "белый" товар, т.е товар от оригинального производителя. Такой товар имеет достаточно фиксированую цену, которая зачастую плохо конкурирует с ценой на товар от под-производителя, т.е. неизвестного производителя, использующего легально или нелегально торговую марку оригинального производителя. Такой товар зачастую является купли-продажи для неофициальных дистрибьютеров или "серого" рынка. Маневры по цене здесь очень большие, но покупатель должен иметь ввиду, что в данном случае качество не гарантируется производителем а гарантируется (может быть) перепродавцом, что значительно увеличивает вероятность брака.

Фирма "ПетроИнТрейд" является официальным дистрибьютером компаний International Rectifier и STMicroelectronics (SGS). Это значит, что если вы покупаете у нас IRFBC40 или STP5NA60, вы покупаете части произведённые по стандарту и под контролем именно этих производителей и уж конечно произведённые не в Китае или Гонконге. Компоненты продаются по конкурентно-способным ценам с хорошими сроками поставки. Что примечательно, STP5NA60 всегда имеется в наличии на складе в Санкт-Петербурге.
    По вопросам техническим и другим вопросам обращайтесь:

ПетроИнТрейд,
Группа электронных компонентов
(812) 310-2959, (812)511-8165,
E-mail: semicond@pit.spb.ru






 
Впервые? | Реклама на сайте | О проекте | Карта портала
тел. редакции: +7 (995) 900 6254. e-mail:info@eust.ru
©1998-2023 Рынок Микроэлектроники