Поиск по сайту:

 


По базе:  

микроэлектроника, микросхема, микроконтроллер, память, msp430, MSP430, Atmel, Maxim, LCD, hd44780, t6963, sed1335, SED1335, mega128, avr, mega128  
  Главная страница > Обзоры по фирмам > ВЗПП




КР1033ЕУ8

Описание

    КР1033ЕУ8 - это ИС корректора коэффициента мощности. В схеме предусмотрена специальная возможность по увеличению помехозащищенности систем. ИС включает в себя схему прецизионного источника опорного напряжения, умножитель, усилитель ошибки, защиту от перенапряжения, компенсацию "пилы". Схема запуска ИС блокирует ее от ложных срабатываний с помощью шестивольтового гистерезиса. Компенсация "пилы" программируется с помощью внешенго резистора, это позволяет стабилизировать работу, когда коэффициент заполнения превышает 50%.
Для достижения высокого значения коэффициента мощности в схемеКР1033ЕУ8 осуществляется формирование входного тока, при котором он по фазе и по форме как можно точно повторяет форму напряжения на выходе мостового выпрямителя.
В течение каждого периода работы задающего генератора контроллер КР1033ЕУ8 регулирует ток через транзисторный ключ т.т, чтобы обеспечивалась пропорциональность его мгновенного значения синусоидальному напряжению на выходе мостового выпрямителя.

Характеристики
  • Прецизионный источник опорного напряжения (5В+-5%)
  • Токовый умножитель уменьшает внешние компоненты и улучшает защиту от шумов
  • Программируемая схема компенсации "пилы"
  • Пиковый ток выходного драйвера - 1А
  • Компаратор перенапряжения устраняет "убегание" выхода, обусловленное отсутствием нагрузки
  • Широкий диапазон компараторов измерителя тока для улучшения защиты от шумов
  • Большая амплитуда для надежной защиты от шумов

Электрические характеристики

Параметр Обозначение Мин. Макс. Ед.измерения
Напряжение источника питания
при запуске
при остановке
в режиме стабилизации
VCC  
15.0
9.0
12.0
 
18.0
12.0
25.0
B
Входное напряжение низкого уровня на выводе 10 VIL -0.3 0.8 B
Входное напряжение высокого уровня на выводе 10 VIH 2.0 5.5 B
Входное напряжение на выводе 1, 2, 4, 5 VI -0.2 5.5 B
Входной ток низкого уровня на выводе 12 IOL - 200.0 мА
Входной ток высокого уровня
на выводе 12
на выводе 3
IOH  
-
-
 
-200.0
-0.5
мА
Входной ток для токового умножителя IIM - 1.2 мА
Входной ток для входа генератора
(вывод времязадающего резистора)
IIR - 2.0 мА

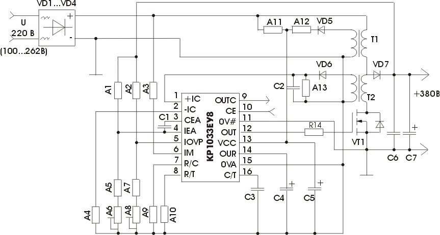
Типовая схема включения






 
Впервые? | Реклама на сайте | О проекте | Карта портала
тел. редакции: +7 (995) 900 6254. e-mail:info@eust.ru
©1998-2023 Рынок Микроэлектроники