КР142ЕН12
Регулируемый стабилизатор положительного напряжения
Микросхема КР142ЕН12 регулируемый трехвыводный стабилизатор положительного напряжения, позволяющий питать
устройства током до 1.5А в диапазоне напряжений от 1.2В до 37В. Этого легко достичь, используя всего два
внешних навесных резистора для установки необходимого выходного напряжения. Линейность нагрузочной
характеристики лучше, чем в стандартных фиксированных стабилизаторах.КР142ЕН12А собран в стандартном
транзисторном корпусе, позволяющем легко монтировать его на плате и теплоотводе. В дополнение к
более высоким, чем у фиксированных стабилизаторов характеристикам,КР142ЕН12А имеет полную защиту от
перегрузок, включающую внутрисхемное ограничение по току, защиту от перегрева и защиту выходного
транзистора. Все системы защиты от перегрузок остаются полностью работоспособными даже если вход
регулирования отключен. Обычно входной конденсатор не нужен, если корпус стабилизатора находится
в пределах 15 см от входной фильтрирующей емкости,в противном случае он необходим. В дополнение может
быть добавлен выходной конденсатор для сглаживания переходных процессов.
Для достижения очень высокого
значения коэффициента подавления пульсаций вход регулирования может быть зашунтирован емкостью. Помимо
тех случаев, в которых используются фиксированные стабилизаторы, КР142ЕН12А находит применение в
широком диапазоне других приложений. Например, переключаемый стабилизатор, стабилизатор с программи
руемым выходом, а с присоединением постоянного резистора между выходом и входом регулирования
КР142ЕН12А может использоваться как прецизионный токовый стабилизатор. Источники с электронным
выключением можно получить закорачиванием вывода регулирования на землю, при этом на выходе получается
напряжение 1.2В, которое позволяет уменьшить ток в нагрузке.
Основные характеристики
- Регулируемый выход от 1.2В до 37В
- Гарантированный выходной ток 1.5А
- Термостабильная защита по току
- Стандартный 3-х выводной транзисторный корпус
- Защита выхода от КЗ
|
 |
|
|
Расположение выводов
- 1 Регулирование
- 2 Выход
- 3 Вход
|
Электрические характеристики
Все параметры приведены при Vin-Vo=5В, Io=0,5A, 0°C<Tj<125°C, Cin=0.33mF,
Cout=0.1mF если не оговорено другое.
| Наименование |
Обозначение |
Условия измерения |
Мин. |
Тип. |
Макс. |
Ед. измерения |
Нестабильность по входному напряжению |
REGIN |
Ta=25°C 3B<(Vin-Vo)<40B
Io=0.1A(Прим.) |
-- |
0.01 |
0.04 |
%В |
0°C<Tj<+125°C 3B<(Vin-Vo)
<40B Io=0.1A(Прим.) |
-- |
0.02 |
0.07 |
Нестабильность по току нагрузки |
REGL |
Vo<5B |
Ta=25°C 10мА<Io<1.5A (Прим.) |
-- |
5 |
25 |
мВ |
| Vo>5B |
-- |
0.1 |
0.5 |
% |
| Vo<5B |
0°C<Tj+125°C (Прим.) 10мА<Io<1.5A |
-- |
20 |
70 |
мВ |
| Vo>5B |
-- |
0.3 |
1.5 |
% |
| Температурная нестабильность |
REGTH |
Ta=25°C, 0,2мс<t<20мс |
-- |
0.01 |
0.07 |
%/Вт |
| Ток по входу регулирования |
IADJ |
|
|
50 |
100 |
мкА |
Нестабильность тока по входу регулирования |
IADJ |
10мА<Io<1.5A 3B<(Vin
-Vo)<40B PT<20Вт |
-- |
0.4 |
5 |
мкА |
| Опорное напряжение |
VREF |
10мА<IO<1.5A 3B<(Vin-
Vo)<40B PT<20Вт |
1.20 |
1.25 |
1.30 |
В |
Температурная нестабильность опорного напряжения |
VREF/T |
0°C<Tj<+125°C |
-- |
0.7 |
1.0 |
% |
| Минимальный ток нагрузки |
IOMIN |
(Vin-Vo)=40B |
-- |
4.7 |
10 |
мА |
| 5В<(Vin-Vo)<15B |
1.5 |
2.2 |
3.4 |
A |
| Максимальный выходной ток |
IOpeak |
(Vin-Vo)=40B |
0.15 |
0.8 |
-- |
| Напряжение шума на выходе |
Vn |
Ta=25°C 10Гц<f<10кГц |
-- |
0.003 |
-- |
% RMS |
| Коэффициент подавления пульсаций |
RR |
CADJ=0 |
VO=10V Ta=25°C
f=120 Гц Vin=1BRMS |
-- |
60 |
-- |
дБ |
| CADJ=10мкФ |
56 |
78 |
-- |
Примечание: Измерение постоянной температуры перехода производится с использованием тестовых
импульсов с низким коэффициентом заполнения. Длительность импульса = 10мсек., коэффициент заполнения
< 2%.
RMS - среднеквадратический.
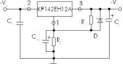
Типовая схема включения
Предельные параметры
| Параметр |
Обозначение |
Величина |
Ед.измерения |
| Максимальное напряжение между входом-выходом |
Vin-VOUT |
40 |
BDC |
| Температура пайки |
TLEAD |
230 |
°C |
| Мощность рассеивания |
PD |
20 |
Вт |
| Диапазон рабочих температур |
Tj |
0 до +125 |
°C |
| Диапазон температур хранения |
TSTG |
-65 до +150 |
°C |
Чертёж корпуса
TO-220