Поиск по сайту:

 


По базе:  

микроэлектроника, микросхема, микроконтроллер, память, msp430, MSP430, Atmel, Maxim, LCD, hd44780, t6963, sed1335, SED1335, mega128, avr, mega128  
  Главная страница > Описания > 74HC595




Сдвиговый регистр 74HC595 с интерфейсом SPI

FUNCTION TABLE

INPUTS FUNCTION
SER SRCLK SRCLR RCLK OE
X X X X H Outputs QA-QH are disabled
X X X X L Outputs QA-QH are enabled
X X L X X Shift register is cleared
L ? H X X First stage of the shift register goes low
Other stages store the data of previous stage, respectively
H ? H X X First stage of the shift register goes high
Other stages store the data of previous stage, respectively
X X X ? X Shift-register data is stored in the storage register

Входы 74HC595

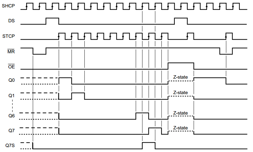
OE

Вход переводящий выходы из высокоимпедансного состояние в рабочее состояние. При логической единице на этом входе выходы 74HC595 будут отключены от остальной части схемы. Это нужно например для того чтобы другая микросхема могла управлять этими сигналами.

Если нужно включить в рабочее состояние микросхеме подайте логический ноль на этот вход. А если в принципе не нужно переводить выходы в высокоимпедансное состояние – смело заземляйте этот вывод.

MR — сброс регистра

Переводить все выходы в состояние логического нуля. Чтобы сбросить регистр нужно подать логический ноль на этот вход и подать положительный импульс на вход STCP.

Подключаем этот выход через резистор к питанию микросхемы и при необходимости замыкаем на землю.

DS – вход данных

Последовательно подаваемые сюда данные будут появляются на 8-ми выходах регистра в параллельной форме.

SHCP – вход для тактовых импульсов

Когда на тактовом входе SHCP появляется логическая единица, бит находящийся на входе данных DS считывается и записывается в самый младший разряд сдвигового регистра. При поступлении на тактовый вход следующего импульса высокого уровня, в сдвиговый регистр записывается следующий бит со входа данных. Тот бит который был записан ранее сдвигается на один разряд (из Q0 в Q1) , а его место занимает вновь пришедший бит. И так далее по цепочке.

STCP – вход «защёлкивающий» данные

Что бы данные появились на выходах Q0…Q7 нужно подать логическую единицу на вход STCP. Данные поступают в параллельный регистр который сохряняет их до следующего импульса STCP.

Выходы 74HC595

Q0…Q7 (QA-QH) – выходы которыми будем управлять. Могут находится в трёх состояниях: логическая единица, логический ноль и высокоимпедансное состояние

Q7' (QH') – выход предназначенный для последовательного соединения регистров.

Корпус 74HC595 в исполнении DIP SOIC Корпус 74HC595 в исполнении QFN Корпус 74HC595 в исполнении

Примечание: Имейте ввиду, хотя втекающие-вытекающие токи выходов составляют 25 мА, недопускаеться одновременная нагрузка всех выходов максимальным током. Смотрим внимательно на значения токов по выводам Vcc и GND. У разных производителей они могут отличаться, и на ИС составляют 70-150 мА.

Документация:

  488 Kb Engl Описание микросхемы 74HC595 производства TI
  290 Kb Engl Описание микросхемы 74HC595 производства ST
  120 Kb Engl Описание микросхемы 74HC595 производства ON





 
Впервые? | Реклама на сайте | О проекте | Карта портала
тел. редакции: +7 (995) 900 6254. e-mail:info@eust.ru
©1998-2023 Рынок Микроэлектроники